Ingenieur-Notizen, Analysen & spannendes aus dem Entwickleralltag

Praxisberichte aus der Elektronikentwicklung, Reparatur-Chroniken und theoretische Herleitungen.

Schem FL-Ballast Analyse
10. Januar 2025 • 5 Min. Lesezeit

Ein ungewöhnlicher Spannungsverdoppler als FL-Ballast

Analayse von Spannungsverdopplerschaltungen und eine ungewöhnliche Anwendung

Beitrag lesen →
Revox Capstan Motor Reparatur
02. Feb 2026 • 8 Min. Lesezeit

Revox Tapedeck B215

Schritt-für-Schritt Analyse und Instandsetzung eines Kapstan-Motors – ein Klassiker der Audiotechnik.

Beitrag lesen →
Mini Tesla Coil Analyse
15. Feb 2026 • 2 Min. Lesezeit

Herleitung und Messung von Übertragerparametern

Übertrager mit asymmetrischen Streuflüssen am Beispiel einer Mini-Tesla Spule.

Beitrag lesen →
Max Eyth Analyse
15. Feb 2026 • 2 Min. Lesezeit

Max Eyth ein Ingenieurleben

Eine Buchbesprechung von 'Hinter Pflug und Schraubstock'.

Beitrag lesen →
Max Eyth Analyse
16. März 2026 • 4 Min. Lesezeit

Güte einer Induktivität

Messung der Güte einer Induktivität mit einem Schwinkgkreis.

Beitrag lesen →
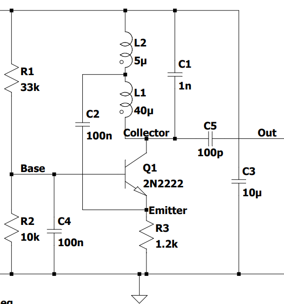
Hartley Oszillator Analyse
16. März 2026 • 4 Min. Lesezeit

1 MHz Hartley Oszillator mit einem 2N2222

Auslegung, Aufbau und Probleme mit einem 1MHz Hartley Oszillator mit einem 2N2222.

Beitrag lesen →
Edit Symbol Analyse
18. März 2026 • 3 Min. Lesezeit

Komplexere Bauteile in LTspice V.24 importieren

Eine kurze Beschreibung, wie man Drittanbieter Komponenten in LTspice V.24 importiert.

Beitrag lesen →